MJ-CDK300-B2RT-CZC
MJ-CDK300-B2R-CZC
MJ-CDK300-B2RW-CZC
MJ-CDK300-B5R-CZC
MJ-CDK300-B5RW-CZC
MJ-CDK300-B9R-CZC
MJ-CDK300-B9RW-CZC
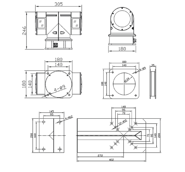
紅外一體化智能車載快速云臺攝像機在公安、部隊、城管、交通、應急等部門廣泛使用
紅外一體化智能車載快速云臺攝像機是集光、機、電、圖像于一體用于巡邏監(jiān)控、取證,安裝于車輛、機器人、船等移動工具上的高級智能監(jiān)控攝像機。由防雨雪凍固的機械外觀結構、大動力低功耗的動力裝置、可冷啟動的精密傳動裝置、CMOS攝像頭、數字解碼器、高性能圖像處理單元和控制器等部分組成。
簡潔緊湊的機械結構讓紅外一體化智能車載快速云臺攝像機可以承受各種惡劣路況車上帶來的振動;內置的自動加熱模塊與智能雨刮器無論是在寒冷、塵埃、雨天等惡劣環(huán)境條件下也可以正常運行獲得清晰的畫面。
型號 |
MJ-CDK300-B2RT-CZC |
MJ-CDK300-B2R-CZC |
MJ-CDK300-B2R-CZC |
MJ-CDK300-B5R-CZC |
MJ-CDK300-B5RW-CZC |
MJ-CDK300-B9R-CZC |
MJ-CDK300-B9RW-CZC |
圖像傳感器 |
1/3" CCD |
1/4" CCD |
|||||
有效像素 |
752H × 582V |
||||||
寬動態(tài) |
有 |
無 |
有 |
無 |
有 |
無 |
有 |
逐行掃描 |
有 |
無 |
無 |
無 |
無 |
無 |
無 |
紅外感應 |
有 |
有 |
有 |
有 |
有 |
有 |
有 |
同步方式 |
內同步或外同步 |
||||||
視頻輸出 |
VBS 1.0Vp-p/75Ω |
||||||
白平衡 |
自動/手動 |
||||||
掃描度 |
15.625KHz(H)50Hz(V) |
||||||
水平解像度 |
540TVL |
480TVL |
530TVL |
480TVL |
530TVL |
480TVL |
530TVL |
信噪比 |
>50db |
>50db |
>50db |
>50db |
>50db |
>50db |
>50db |
電子快門 |
1/50-1/10,000s |
1/50-1/30000s |
1/50-1/10,000s |
||||
最低照度 |
0.0025Lux |
0.01Lux |
0.01Lux |
0.01Lux |
0.01Lux |
0.01Lux |
0.01Lux |
焦距長度 |
F=4.7~84.6mm |
F=4.1~73.8mm |
F=4.1~73.8mm |
F=3.5~91mm |
F=3.5~91mm |
F=3.4~122.4mm |
F=3.4~122.4mm |
變焦倍數 |
光學變焦18× |
光學變焦26× |
光學變焦36× |
||||
光圈&變焦 |
手動/自動 |
||||||
水平預置速度 |
100°/S |
||||||
垂直預置速度 |
60°/S |
||||||
水平控制轉速 |
0.1°~100°/S |
||||||
垂直控制轉速 |
0.1°~60°/S |
||||||
水平轉角 |
360°無限位 |
||||||
垂直轉角 |
+90°~-90° |
||||||
預置位、巡視軌跡 |
256個 |
||||||
控制方式 |
RS485,內置16種協(xié)議,波特率從2400Bps到19200Bps可選 |
||||||
補光源 |
紅外燈Φ8,51顆(投射距離>80米) |
||||||
電源 |
設備工作電壓為DC8-36V) |
||||||
傳動方式 |
精密機械傳動 |
||||||
工作溫度 |
-35℃~+65℃ |
||||||
相對濕度 |
10%~90% |
||||||
防水等級 |
IP66 |
||||||
安裝方式 |
壁裝、立裝 |
||||||
抗沖擊要求 |
≥4G |
||||||
重量 |
7.5kg |
墻式安裝支架(MJ-PT03) 車輛防震支架(MJ-PT05) 線纜(4米)